XR2206 (1)
秋月で取り扱いが始まった、話題の「XR2206」ですが、私はまだ入手していないので、回路的な検討だけでも始めようと思います。
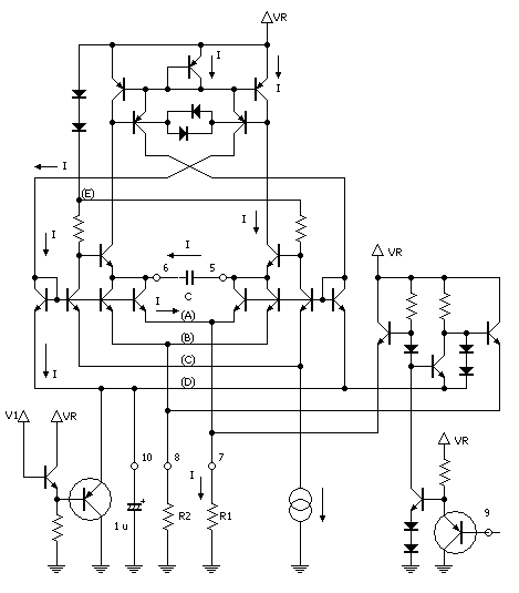
データシートには内部の等価回路が掲載されていますが、残念なことに、いくつかの誤りが見られます。
気が付いた誤りを訂正し、書き直した回路図 (VCO 部分のみ、波形整形部含まず) を下に示します。

図の中央部に、エミッタが互いに接続されたペアのトランジスタが4組ありますが、図に示したように、内側から順に (A), (B), (C), (D) ペアと名付けることにします。
私が気が付いた誤りは、
- 6 番ピンと、ペア (A) 左側のトランジスタのコレクタと、ペア (B) 左側のトランジスタのコレクタとの接続が抜けている
- 5 番ピンと、ペア (A) 右側のトランジスタのコレクタと、ペア (B) 右側のトランジスタのコレクタとの接続が抜けている
- 9 番ピンにつながっているトランジスタ (上の回路図では「円」で囲ったシンボルで表してある) は NPN ではなく PNP であるべき
- 回路図左側の、ベースが V1、コレクタが VR につながっている NPN トランジスタのエミッタにつながっているトランジスタ (上の回路図では「円」で囲ったシンボルで表してある) は NPN ではなく PNP であるべき
の4か所です。
上の回路図では右側に書いてある回路で、9 番ピンの信号に応じて (A) ペアか (B) ペアのいずれか一方だけをアクティブにして使うので、ちょっと複雑になっており、細部にも違いはありますが、大まかには以前説明した XR2209 の回路とほほ同じと考えられます。
細かい検討は次回以降の記事で行いたいと思います。