OTA/VCA/PGA を使用した 2 次特性 VCF (1)
OTA (Operational Transconductance Amplifier) / VCA / PGA (Programmable Gain Amplifier) を使った 2 次特性の VCF の SPICE シミュレーション / ブレッドボード上の実験を行っています。
カットオフ周波数の電圧制御のためには電圧可変要素を 2 個使用し、レゾナンスも電圧制御にするためには、さらに 1 個の電圧可変要素を追加するのがオーソドックスな方法ですが、電圧可変要素 2 個でカットオフ周波数とレゾナンスの両者を電圧制御にする方法を試しています。
OTA を使ったブレッドボード上の実験で、動作自体は確認していますが、精度などの面で実用性があるかどうかは分かりません。
ディジタル設定の電子ボリウムなどを PGA (プログラマブル・ゲイン・アンプ) として使う方法なら可能性があるかも知れません。
まず、(普通の) OP アンプを使用した積分器で構成したバイクアッド (biquad) 回路を下に示します。

(不完全) 積分器ひとつ (A1 の OP アンプ部) と、 (完全) 積分器ひとつ (A2 の OP アンプ部) とで構成されており、両者とも反転型の積分回路になっています。
両者の縦続回路をループとして「負帰還」をかけていますが、反転回路 2 段では「正帰還」になってしまうので、A3 の OP アンプで反転増幅をして、信号の極性を合わせています。
この A3 の OP アンプ部は、LPF 出力信号の極性を反転したコピーを生成するという機能以外には、特に積極的な機能は持っていません。
「状態変数回路」の構成では、3 つある OP アンプ出力のそれぞれから、同時に HPF / BPF / LPF 出力が得られます。
バイクアッド回路では BPF 出力と LPF 出力が同時に得られるだけで、HPF 出力を得るには追加の OP アンプが必要になります。
その一方で、3 つすべての OP アンプ回路が、非反転入力を接地した反転型の回路になっているので、反転入力側回路のストレー容量の影響が少なくなっています。
差動入力を持つ OTA (Operational Transconductance Amplifier) や、スイッチト・キャパシタ回路による積分器では、「非反転型積分回路」が容易に実現できるので、積分器ふたつで 2 次フィルタ回路を構成できます。
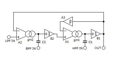
差動入力の OTA を 2 個使用した最も簡単な構成の回路を下に示します。

ここで、OTA を表す A1、A2 のシンボルは、LM13600 / LM13700 のデータシートに記載されているシンボルを簡略化したものを流用しています。
差動入力間に加える電圧については、特に制限はないものとします。
実際の LM13700 などでは、差動入力は差動ペアのトランジスタのベース端子そのものですから、±200 mV 程度でクリップしてしまいます。
また、信号のひずみが低い状態で使用するには、差動入力間の振幅を數十 mV 程度以下にする必要があります。
そのため、実際の回路では抵抗分圧回路で、信号レベルを数十分の一に落とすことになります。
上の回路の B1、B2 は、ゲイン +1 倍のハイインピーダンス入力のバッファアンプです。
内部に「β」と記されているシンボル (A3) は。信号を β 倍するブロックであることを示しています。
β > 1 であれば「増幅」、β < 1 であれば「減衰」となります。
実際の LM13700 などの回路では、差動入力の「分圧回路」の比を調整することにより、本当に「増幅」しなくても、増幅したのと同様の効果を得ることができます。
先ほど「最も簡単な構成」と言いましたが、正確に言えば β = 1 、つまり A3 のブロックは「素通し」で単なる配線だけの場合が最も簡単な場合になります。
普通の OP アンプを使ったバイクアッド回路では、
[LPF入力] --[不完全積分器 (1 次 LPF)] -- [完全積分器] -- [LPF 出力]
という縦続順序だったものが、上に示した OTA 回路では、
[LPF入力] -- [完全積分器] --[不完全積分器 (1 次 LPF)] -- [LPF 出力]
という縦続順序になっています。
それにともなって、バイクアッド回路では LPF 出力と同時に得られていた BPF 出力がなくなっています。
バッファアンプ B2 の出力は、特性の概形としてはローパス・フィルタになりますが、目的の 2 次特性にはなりません。
その代わり、「最も簡単な」構成として、OTA の差動入力の 2 つの端子に過不足なく信号が接続されるようになっています。
もとのバイクアッド回路と同様の構成にするためには、バッファアンプ B2 の出力を新たな LPF 出力とし、OTA A2 の非反転入力を接地し、OTA A1 に LPF 入力を設けます。
この場合、A1 には実質的に 3 つの信号を入力する必要が生じます。
これを実現するには加算回路あるいは減算回路を追加する必要があり、「最も簡単」ではなくなってしまいます。
実際の LM13700 などを使った回路では、入力の抵抗分圧回路が必須なので、それを抵抗による「パッシブ・ミキサ回路」として構成することにより、あまり手間がかからずに OTA の多入力化が実現できます。
上の OTA 回路では、フィルタ出力はひとつしか得られませんが、信号入力位置を選ぶことにより、HPF / BPF / LPF の 3 種の特性のいずれかを選択することができます。
LPF 入力は OTA 入力ですが、BPF / HPF 入力はコンデンサの一端になっています。
いずれの場合も、使用しない入力については (交流的に) 接地します。
次回は、上の回路の伝達関数を求めます。