XR2206 (7)
私も、やっと XR2206 を手に入れました。
さっそく、サイン波形の歪率の測定と、各部の波形/電圧の測定をしてみました。
と言っても、(ハードウェアの) 歪率計を持っているわけではないので、「efu」さん作成の PC のオーディオ入力を利用してスペアナを実現するフリーウェア、「WaveSpectra」に備わっている歪率測定機能を利用しています。
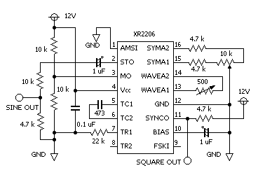
歪率測定に使った回路を下に示します。

PC のライン入力に接続したときに過大入力にならないようにサイン波出力を抵抗で分圧してある程度で、データーシートのテスト回路とあまり変わりはありません。
発振周波数は約 1 kHz に選んであります。
結果を下に示します。

ウィンドウの左側の「THD.+N」と表記されている部分の数値が歪率で、上の行が高調波ひずみ (THD)、下の行が高調波ひずみ+ノイズ (THD+N) の値です。
この歪率は FFT 結果から算出しているので、正弦波周波数と FFT ウィンドウ幅との関係が、きっちり合っていなければ誤差の原因になります。
その影響は、THD の値は少なめに出て、THD+N の値は大きめに出るという傾向があります。
FFT の窓関数の設定などにより、歪率は 0.2 % 台や 0.3 % 台を示すこともありましたが、この例のように、スペック通りの 0.5 % 台の歪率は実現できていると見てよいでしょう。
もっと正確を期すなら、PLL を組んで、PC 側で発生させた 1 kHz にロックさせた 1 kHz の正弦波を発生させて測定する必要があるでしょう。
下の波形写真は、タイミング・コンデンサの両側 (5 番ピン、6 番ピン) の電圧波形を観測したものです。

一番上のトレースが方形波出力 (11 番ピン) で、2 番目が三角波出力 (2 番ピン)、 3 番目が 5 番ピン、一番下が 6 番ピンです。
上ふたつのトレースはメモリしておいた波形で、下ふたつのトレースがリアルタイムに観測している波形です。
下ふたつのトレースはタイミング・コンデンサの両端の電圧で、画面におさめるために AC 結合で観測しています。
それぞれ、半周期ずつ「休み」、すなわち、一定の電圧を維持している部分がありますが、その部分の電圧は 5.26 V で、これから内部の「VR」の電圧は 分高い 7.1 V 程度と推測されます。
ランプ波形の振幅も、予想通り ±750 mV 程度でした。
7 番ピン、10 番ピンともに電圧はスペック通りの約 3 V で、内部の「V1」の電圧も約 3 V と推測されます。
三角波モードの時の波形調整端子 14 番ピン、13 番ピンの波形を次に示します。

3 番目のトレースが 14 番ピン、4 番目のトレースが 13 番ピンですが、ちょっと意外な波形でした。
コンデンサ両端の電圧をエミッタ・フォロアで受けただけの波形なら、前の写真のように、半周期休みのランプ波形となるはずですが、この波形は、コンデンサ両端の電圧に違った重みを付けて (差動ではなく) 加算した形になっています。
大きい振幅のランプ波形と、小さい振幅のランプ波形が交互に繰り返す形となっていますが、
- 大振幅のランプ波形 2.80 V 〜 3.60 V
- 小振幅のランプ波形 2.99 V 〜 3.53 V
となっており、DC レベルはコンデンサ両端の波形の約 1/2、振幅は大振幅の方は約 1/2、小振幅の方は約 1/3 となっています。
正弦波モードでの同様の波形を下に示します。

波形調整端子の 13 番ピンと 14 番ピンの間に接続する抵抗値により出力波形が変化しますが、その出力レベルも大きく変化するのが意外でした。
抵抗値が 500 Ω 程度では、ほぼ三角波で、レベルもあまり変わりません。
抵抗値を小さくしていくと、波形は丸まって正弦波に近くなっていきますが、同時に振幅も小さくなります。
上の写真は歪率が最小になるように調整した場合のものですが、三角波の場合の垂直軸のゲインが 1 V/div に対し、正弦波の場合は垂直軸のゲインが 500 mV/div であることからも振幅が小さいのが分かります。
さらに抵抗値を小さくしていくと、波形は、ますます「太く」なり、振幅も小さくなっていきます。
この波形と振幅の変化の度合いは想像より大きいものでした。
13 番ピンと 14 番ピンの波形も、ランプ部分は非線形なカーブとなり、「大」「小」の振幅差が小さくなります。
その変化のしかたは、大振幅の最小値の 2.8 V 付近と、小振幅の最大値の 3.53 V 付近の両方が持ち上がりながら、ランプ波形の直線部分をたわませる感じになります。