SX-150 の VCO の温度補償 (11) -- Q902 のベース電流補償 (4)
これまでの回路では、抵抗 R902 によって約 1 μA の参照電流を直接設定していました。
しかし、この方法ではアンチログ入力電圧によって電流の設定値が減少してしまう欠点があります。
単なる抵抗の代わりに定電流源を使用すれば、この問題は解決します。
ここでは、カレントミラーによる定電流源を使用し、カレントミラーの入力側にベース電流補償を施すことにします。
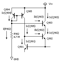
回路図を下に示します。

PNP トランジスタ Q904、Q905 で基本型カレントミラー回路を構成しています。
「OP-07」の回路と同様に Q902 と特性のそろった NPN トランジスタ Q903 を挿入することにより、Q902 のベース電流にほぼ等しい Q903 のベース電流が得られます。
この電流は PNP カレントミラー Q904 のコレクタ側から供給されますから、Q904 のコレクタ電流 は、Q904、Q905 のベース電流を無視すると、
と表せます。
これが Q905 側にミラーされ、Q902 のベース電流と Q901 のコレクタ電流に分岐します。
したがって、Q901 のコレクタ電流は、
となります。
これを見ると、 の依存性は残っていますが、ほぼ一定の電流になることが分かります。
この の依存性も取り除くために、Wilson (ウィルソン) 型カレントミラーとし、前回の記事の後半で説明した
分の補正のための抵抗 R904 を追加した回路を下に示します。

「ベース電流補償型カレントミラー」でも同様の回路が作れますが、回路シミュレーション上では、Wilson 型の方が良い特性が得られました。