多機能デコーダ VS1053b (5)
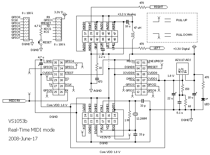
DSP コアが暴走していると思って、いろいろやってみた結果の回路が(こちら→
)です。
10 uF と 22 uF の電解コンデンサは、表面実装用チップタイプのタンタルコンデンサで、ピン 31 の CVDD3 につないでいる 4.7 uF は通常のリードタイプのアルミ電解コンデンサで、GBUF の 47 nF (473) はフィルムコンデンサ (素材不明) 、その他のコンデンサはチップタイプあるいはリードタイプの積層セラミックコンデンサです。
VDD-GND 間の 0.1 uF のパスコン類は、この回路図には記述しておらず、ピッチ変換基板の 2.54 mm ピッチ部分に GND と VDD が隣り合っている場合には 2012 のチップタイプ、離れている場合にはリードタイプの積層セラミックコンデンサを使って実装しています。
AVDD 3本、 CVDD 4本、 IOVDD 3本に対応して、パスコンは計 10 個です。
水晶発振回路の 33 pF コンデンサも変換基板側に実装しています。
ピッチ変換基板の写真を下に示します。

当初の回路では、オシロでピン 31 の CVDD3 の波形を見ると、約 40 kHz 程度の数十 mV の振動的なノイズが乗っているのが見られたので、4.7 uF の電解コンデンサを追加しました。
その結果、振動的なノイズは減りましたが、「暴走」に対する効果はあったのか、なかったのかは分かりません。
約 40 kHz というのはオシロで見た限り周期がざっと 25 us 程度だったということで、MIDI ボーレートクロックの 31.25 kHz か、あるいはサンプリング周波数だったのかも知れません。
「暴走?」から回復するため、電源を切り入りする必要が生じたので、分かりやすいように当初は考えていなかった LED による電源表示と、さらには、電源の切り入りも面倒なので、リセットスイッチも追加しました。
ベースボードの部品面の写真です。

MIDI インターフェース部は、例によって SoundBlaster 用の MIDI ケーブルを利用していて、上の写真の上部右側のコネクタで接続しています。
上部左側のライトアングル・コネクタはオーディオ出力用です。
半田面の写真です。

ユニバーサル基板に手配線という状況では、コア VDD のノイズ対策は、ほぼやり尽くした感があるので、もし本当に「暴走」が起こっていて、さらに対策が必要だとすると、もう、ほとんどやるべきことは残っていません。
ポリウレタン線による配線が汚らしいのですが、ほとんどが DC レベルしか入力されないプルアップ/プルダウンの信号線なので、安定性には影響を与えていないと思います。