アナログシンセの VCO ブロック (51) -- マルチ出力アンチログ回路の測定 (1)
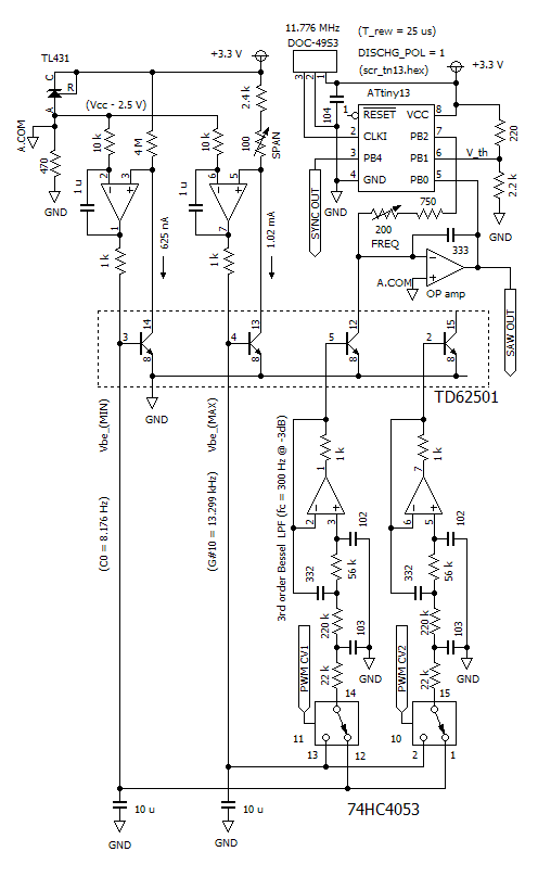
マルチ出力アンチログ回路で、
マルチプレクサ → LPF → アンチログ → VCO
の系統をとりあえず 1 系統のみ実装した基板を作成しました。
複数出力間の干渉のようすを調べるために、最終的には 2 系統を実装するつもりです。 3 系統以上を実装する予定はありません。
発振周波数の測定およびコントロールは 3.3 V 動作に改造した (秋月版互換) Arduino で行うこととし、秋月 B タイプのユニバーサル基板上に Arduino の「シールド」として実現しました。
基板の写真を下に示します。

シールド基板は Arduino 本体から大きくはみ出しており、GND/VCC コネクタの周囲に密集して回路を組んであります。
回路を下に示します。
2012 年 6 月 29 日の記事の回路と基本的に同じですが、手持ちの金属皮膜抵抗で間に合わせるために 3.9 MΩ 1 本ではなく、1 MΩ 4 本を直列にして使ったり、10 μF は電解コンデンサではなく、積層セラミック・コンデンサを使っている部分が違っています。

VCO は ATtiny13 を使ったリワインド型で、外部クロックには秋月から以前に購入した (現在は販売されていない) HC-49/US 形状で 3 本足の 11.776 MHz の水晶発振器を使っています。
11.776 MHz = 512 × 23 kHz という半端な周波数ですが、VCO 用途には周波数が安定なことが重要であり、出力パルス幅はプログラムで自由に設定できるので周波数自体は重要ではありません。
5 V 定格の水晶発振器を 3.3 V 電源で使い、ATtiny13 のクロックとしても約 12 MHz は 3.3 V 動作では定格外ですが、特に問題なく動作しています。
トランジスタの Vbe を (増幅せず) 「ナマ」で扱い、4 MΩ といった高インピーダンスの箇所もあるので、ノイズの影響を心配していましたが、実際に「裸」の状態の基板での測定には影響が現れました。
VCO なので、電圧ノイズが周波数変動となって現れます。
のこぎり波出力を「録音」した .wav ファイル (の一部) を波形編集ソフトでスペクトラム表示したものを下に示します。

横軸が「時間」で、縦軸が「周波数」です。
のこぎり波の周波数は約 440 Hz で、高次の高調波を見ると周波数が変動しているのが分かります。
その周期は 20 ms で、電源周波数 50 Hz による電源ハムです。
金属ケースに収納し、(電気的な) 「シールド」を施すと下のように電源ハムの影響はなくなりました。
