BBD コーラス (2) -- 逆数特性の VCO (1)
有限の容量のディレイ・メモリと、有限のクロック周波数を用いて BBD コーラスのピッチ・シフトを実現する場合、ずっとピッチを上げ続けたり、下げ続けたりすることは不可能であり、ピッチのアップ / ダウンを交互に繰り返す必要があります。
ピッチ・シフト量をグラフで表現すると矩形波状になる、つまり、ある一定時間、音程が上がる量を一定に保ったあとに、またある一定時間、音程が下がる量を一定に保つという変調特性を得るためには、BBD クロック発生回路に特定の条件が要求されます。
それは、直線的に変化する入力電圧に対して、発振周波数の逆数 (発振周期) が直線的に変化する特性を持つ VCO を BBD クロック発生に使い、三角波で VCO を変調することです。
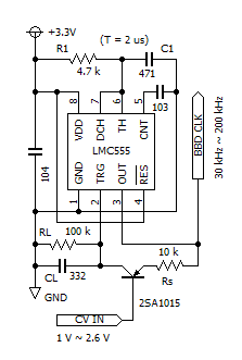
その説明は後に回して、この逆数特性を持つ VCO を CMOS 版の 555 タイマ IC LMC555 で実現した回路を下に示します。
この回路は、VFC (Voltage-to-Frequency Converter) である LM331 / NJM4151 の (高精度型ではない) 基本回路の構成と同様なものを 555 で実現したものです。

電源電圧はマイコン側に合わせ 3.3 V、発振周波数範囲は、約 30 kHz 〜 200 kHz 程度としてあります。
これは、マイコンで MN3207 をエミュレートすることにしたので、そのスペック上の最大クロック周波数に合わせたものです。
詳しい説明は後に回すことにして、簡単に説明しますが、左の回路図では、部品の記号を LM331 データシートの「FIGURE 3. Simple Stand-Alone V-to-F Converter」に合わせてあります。
LM331 / NJM4151 のことを勝手に「リワインド型 VCO」と呼んでいますが、もっと一般的な言い方では、「電荷平衡型 VFC」(Charge-Balance V-to-F Converter) となります。
この「リワインド電荷」、つまり「バランスさせる電荷」は R1、C1 の時定数回路で規定される一定のパルス幅の期間だけ、一定の電流を積分コンデンサに流し込むことにより、パルス1回あたり一定量の電荷が注入されるようにコントロールされています。
この「定電流値」を入力電圧で変化させることにより、「逆数特性」を得ることができます。
上の回路図では、2SA1015 と抵抗 Rs が簡易的な定電流回路および電流スイッチを構成しています。
この「基本回路」では、他の「高精度型回路」とは違って、OP アンプによる積分回路は使用せず、LM331 / NJM4151 では 6 番ピン、LMC555 では 2 番ピンの電圧は、ほぼ一定値で、コンパレータのスレシホールド電圧付近で微少に上下するランプ波形が乗っている形となっています。
そのため、タイミング・コンデンサ CL の値は微少なランプ波形の振幅 (および変換精度と安定性) に関係するだけで、発振周波数自体は、R1、C1、RL、Rs およびコンパレータのスレシホールド電圧、VCO 入力電圧により決まります。
この 555 使用の回路では、TRIG 端子側のコンパレータのスレシホールド電圧は Vdd/3 に設定されていますから、発振周波数は電源電圧 Vdd に依存することになります。
VCO 入力電圧と、発振周波数との関係の測定結果のグラフを下に示します。

入力電圧が TRIG 端子側のコンパレータのスレシホールド電圧である 1.1 V を下回ると、2SA1015 が飽和領域に入るので、正常な動作をするのは、せいぜい 1.1 - 0.3 = 0.8 V 程度までとなります。
上のグラフの発振周波数の逆数、つまり、発振周期を計算してプロットしたグラフを下に示します。

赤い線が測定結果で、青い線が測定データから求めた回帰直線で、このグラフのスケールでは、ほぼ重なって見えています。
測定値と回帰直線との誤差をプロットしたのが下のグラフです。

入力電圧が 2.5 V 程度までは、誤差 1 % 程度におさまっていることが分かります。