ADC 2 種 (PCM1808、TM7705N) の評価 (6)
Microchip 製のデュアル 12 ビット DAC、MCP4922 も測定してみました。
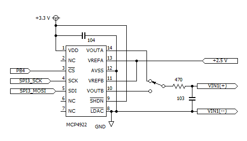
ディジタル・インターフェースは SPI で、電源電圧は 2.7 〜 5.5 V、2 ch 独立の外部 VREF 入力、DIP 14 ピン・パッケージです。
測定回路を下に示します。 TM7705N 側の回路は省略し、MCP4922 側の回路のみを示します。

VREF には TM7705N 用の +2.5 V を使用しています。
TM7705N のアナログ入力を DAC 出力に直結するとアナログ入力が「チョップ」される影響で DAC 出力が乱れ、測定値のバラつきが大きくなったので、470 Ω + 0.01 μF の 1 次 LPF を介して接続しています。
DAC A 側の積分直線性誤差の測定結果のグラフを下に示します。

測定データから最小 2 乗誤差基準で回帰直線を求め、それを DAC の理想特性として誤差をプロットしたものです。
ディジタル・コードの小さい部分で持ち上がっているのは、DAC 回路部分というよりも出力アンプ部のリニアリティの悪さによる可能性があります。
スペック上では、INL は Typ. 値で ±2 LSB となっていますが、コードの小さい部分で +2 LSB を超えています。
DAC B 側の積分直線性誤差の測定結果のグラフを下に示します。

コード 0 の付近で誤差が大きくなっているのは、TM7705N の内蔵バッファ・アンプが 0 V 付近でリニアリティが悪くなっているためで、DAC 側の特性ではありません。
DAC A 側と違って。こちらはコードの小さい部分での誤差増大は見られませんが、コードの大きい部分で誤差が多くなっています。
DAC A、DAC B ともに、9 割程度の部分で INL が ±2 LSB におさまっている、つまり 10 ビット程度の精度があると言えます。