多機能デコーダ VS1053b (3)
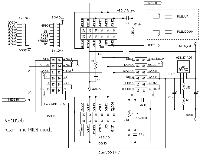
リアルタイム MIDI モードの回路図 (
) ですが、
- 「GBUF」に接続するコンデンサは 10 nF ではなく 47 nF だった
- LM1117-ADJ ではなく、コンパチ品の AZ1117-ADJ だった
- Vref が 1.25 V なのに 1.2 V と誤解していた
- AZ1117-ADJ の R1/R2 を取り違えていた
という誤りがあったので修正しました。
で、やっと製作に取り掛かりました。
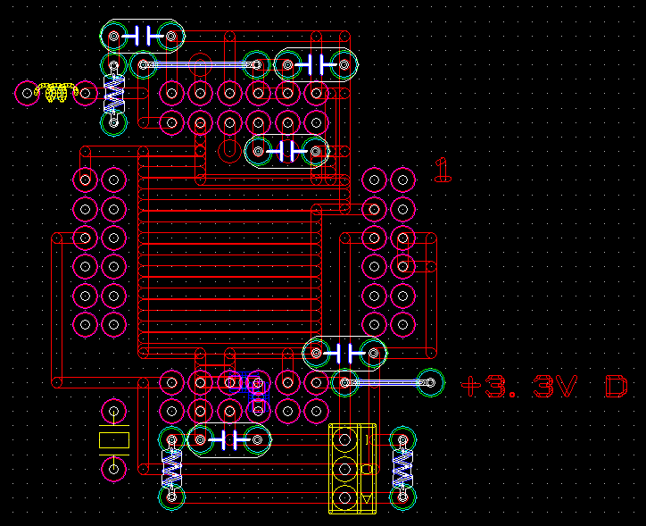
VS10xx の PCB レイアウトに関するアプリケーションノートでは、グラウンドプレーンを使うことを推奨していますが、ユニバーサル基板に手配線では、全面をグラウンドプレーンにすることはできないので、2.54 mm ピッチのピンが刺さる部分の内側の領域に銅箔テープを貼って、ベタグラウンドとして使うことにしました。
その検討のため、PCBE で書いてみたのがこれです。(
)
プリント基板を作るのが目的ではなく、グラウンドと VDD しか考えていません。 また、正確にこの通り作っているわけでもありません。
信号はポリウレタン線で配線していきます。
バイパスコンデンサについては、変換基板の 2.54 mm ピッチのランド部分に 2012 サイズの 0.1 uF チップコンデンサを実装します。
ユニバーサル基板に銅箔を貼っただけの状態がこれです。

ピンをハンダ付けして、Vcore の 1.8 V 発生部のみ実装した状態です。

AZ1117-ADJ の Vref の、安物のディジタル・テスタによる実測値は 1.251 V で、分圧抵抗に 150 Ω、68 Ω を使って、出力電圧は 1.816 V で、発振もせず、ほぼ計算通りです。
Vcore のスペックは min 1.7 V / max 1.85 V なので、もう少し低めにした方がいいかもしれません。
Vref の測定時に、最初は負荷抵抗を付けなかったので、2.6 V 程度が出てきてビックリしました。 100 Ω 程度の負荷抵抗を付けたら正常な電圧が出てきました。