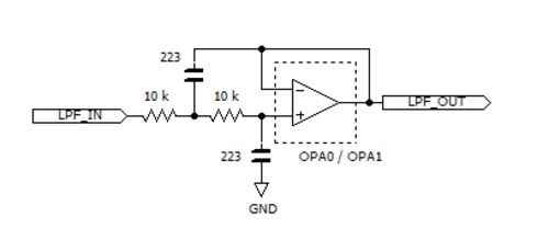
SdmDac16 のテスト・プロジェクトでは、1 ビット DAC 出力に下図のような内蔵 OP アンプを利用した Sallen-Key トポロジの 2 次バタワース LPF (fc = 4.8 kHz) を接続してアナログ電圧を得ています。 (このシリーズの記事の 1 回目に PWM DAC 用に使った LPF…
引用をストックしました
引用するにはまずログインしてください
引用をストックできませんでした。再度お試しください
限定公開記事のため引用できません。