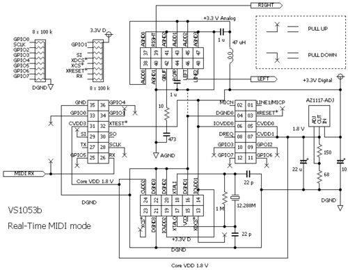
VS1053b ですが、リアルタイム MIDI モードの回路図 () を書いただけで、まだ、実際の製作には着手していません。 回路図というより、実体配線図に近いもので、Bottom view、つまりハンダ面から見た形で書いてあり、実際の製作に便利なようにしてあります。 …
引用をストックしました
引用するにはまずログインしてください
引用をストックできませんでした。再度お試しください
限定公開記事のため引用できません。